EDDY(渦流)自動流水線旋臂式裹膜機
商品編號:EDDY(渦流)自動流水線旋臂式裹膜機Eddy 是一款帶有旋轉臂的纏繞膜包裝機,非常適合用纏繞膜包裹托盤。它的優勢在於其緊湊的整體尺寸和高性能。
-

EDDY(渦流)自動流水線旋臂式裹膜機
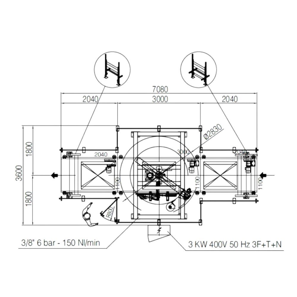
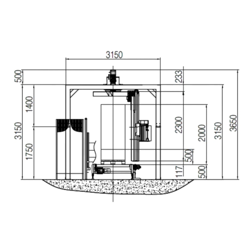
PKG EDDY 是一款高性能自動旋轉臂纏繞機。它運作可靠,堅固耐用,並具備所有必要的性能功能。本機非常適合使用標準膜或預拉伸膜。與轉盤式纏繞機不同的是,旋轉臂纏繞機的托盤始終固定在地面上——無需裝卸貨物,纏繞過程中也無需轉動托盤,因此更適合輕型和不穩定的貨物。頂級配置的 MPS2 型托盤架可將薄膜預拉伸至 400%,從而最大限度地節省成本。 PKG EDDY 提供豐富的程序和選購配件,頂級配置配備兩個拉伸膜托盤架,每小時最多可處理 90 個托盤。
產品特色
MPS電動預拉機頭
電動張力+固定預拉延伸 150%/200%/250%
快速裝膜設計
自動夾切膜焊接系統
膠膜切割、夾緊及焊接系統會自動調整以適應各種棧板尺寸
高度可靠的旋轉臂
配備大直徑旋臂旋轉齒輪,結構堅固耐用;搭配易於維護的設計,有效降低您的長期維運成本
多類型頂壓裝置
提供多種型式的頂壓裝置,滿足各種輕量與不穩定貨物的包裝需求
圖型化觸控操作面板
觸控螢幕控制面板使用直覺符號易於理解。
技術規格
EDDY 自動流水線旋臂式裹膜機 機型 EDDY EDDY BIG EDDY DOUBLE 最大包裝尺寸W mm 1250 1800 1200 最大包裝尺寸L mm 1250 1800 1200 最大包裝尺寸H mm 2100 2100 2100 最小包裝尺寸W*L*H mm 600*800*2100mm 低速(棧板/小時) 50 40 75 高速(棧板/小時) 60 50 90 低速(棧板/小時)+下壓 30 22 60 高速(棧板/小時)+下天壓 40 30 65 工作高度 500mm 機器防護等級 IP54 操作氣壓 6bar 電壓 380V 3相 - 50/60 Hz – 5KW 


相關產品




